Αυτό το αποσβεστήρα τριβής είναι ένα - τρόπος περιστροφικής δομής αποσβεστήρα
● Εξοικονόμηση μικρών και χώρων για εγκατάσταση (δείτε το σχέδιο CAD για αναφορά)
● Η ροπή κυμαίνεται από 0,1 nm-1 nm
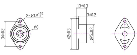
● Χρησιμοποιήστε λιγότερα Ø 6mm για το άξονα οπών αποσβεστήρα ως άξονα
● Διάμετρος αποσβεστήρα τριβής 42mm, ύψος13mm
● Χωρίς λάδι μέσα στα εξαρτήματα
● Χρόνος κύκλου ζωής τουλάχιστον 50000 χρόνος κύκλου - 100000 χρόνοι κύκλου
● Υλικό: Πλαστικό σώμα - POM Κάντε τα εξαρτήματα πιο ανθεκτικά
Οθόνη αποσβεστήρα τριβής








Προδιαγραφή αποσβεστήρα τριβής
Μοντέλο | Μέγιστος. ροπή | Dιερύθμιση |
TRD (FFD)- 25FS-R102 | 0.1±0.01〔N・m〕 (1±0.1 KGF・cm) | Δεξιόστροφος |
TRD (FFD)- 25FS-L102 | Μετρητής - δεξιόστροφα | |
TRD (FFD)- 25FS-R502 | 0.5±0.05〔N・m〕 (5 ± 0,5kgf・cm) | Δεξιόστροφος |
TRD (FFD)- 25FS-L502 | Μετρητής - δεξιόστροφα | |
TRD (FFD)- 25FS-R103 | 1±0.1〔N・m〕 (10±1 KGF・cm) | Δεξιόστροφος |
TRD (FFD)- 25FS-L103 | Μετρητής - δεξιόστροφα | |
*) Η ροπή βαθμολογίας μετριέται σε ταχύτητα περιστροφής 20rpm σε 20-25 βαθμούς | ||
Βασικά χαρακτηριστικά του αποσβεστήρα τριβής Toyou:
Compact και Space - Αποθήκευση σχεδίασης
Λάδι - δωρεάν λειτουργία
Εύκολη διαδικασία εγκατάστασης
Έλεγχος ροπής μονής κατεύθυνσης
Τριβή - βασισμένη δομή ρητίνης
Ζήστε τα οφέλη των προηγμένων αποσβεστήρων τριβής μας, που έχουν σχεδιαστεί για να παρέχουν αποτελεσματικές και αξιόπιστες λύσεις ελέγχου κίνησης.
Σχέδιο CAD DAMPER TRICTION

Αίτηση για αποσβεστήρες τριβής

Ο αποσβεστικός τριβής χρησιμοποίησε το Incover για κουζίνα

αποσβεστήρα για εσωτερικό αεροσκάφος

Ο αποσβεστήρας τριβής που χρησιμοποιείται στον αυτόματο κάδο απορριμμάτων

Αποσυνδέστε καθίσματος, αποσβεστήρα για να συμβουλευτείτε τα καθίσματα
Ο αξιόπιστος συνεργάτης σας για περιστροφικούς αποσβεστήρες
1. Εκτεταμένη εμπειρία:Με πάνω από μια δεκαετία παραγωγής και εμπειρογνωμοσύνη Ε & Α, έχουμε κερδίσει πολύτιμες ιδέες και ολοκληρώσαμε τις διαδικασίες μας για την παροχή εξαιρετικής ποιότητας και απόδοσης.
2. Υψηλή παραγωγική ικανότητα:Η προηγμένη εγκατάσταση μας επιτρέπει την παραγωγή κλίμακας -, με μέση μηνιαία χωρητικότητα περίπου 1 εκατομμυρίου τεμαχίων. Αυτό εξασφαλίζει αποτελεσματική παράδοση και γρήγορη ανταπόκριση στις απαιτήσεις των πελατών.
3. Προσαρμοσμένες λύσεις:Καταλαβαίνουμε ότι κάθε εφαρμογή είναι μοναδική. Η γκάμα των αποσβεστήρων περιλαμβάνει διάφορα υλικά, ρυθμίσεις ροπής και κατευθύνσεις περιστροφής (μονομερές και bi - κατευθυντική), επιτρέποντάς μας να προσαρμόσουμε την τέλεια λύση για τις συγκεκριμένες ανάγκες σας.
4. Ιαπωνικά πρότυπα τεχνολογίας:Με την ενσωμάτωση της ιαπωνικής τεχνολογίας και την τήρηση των αυστηρών μέτρων ελέγχου για τις πρώτες ύλες και τις διαδικασίες παραγωγής, παρέχουμε σταθερά υψηλό - ποιοτικά προϊόντα στους πελάτες μας.
5. Χύτευση ακριβείας:Η διαδικασία παραγωγής μας ακολουθεί αυστηρά τις προδιαγραφές και τα ποσοστά συρρίκνωσης που ορίζονται στα σχέδια, εξασφαλίζοντας την ακριβή παραγωγή και τη βέλτιστη απόδοση των περιστροφικών αποσβεστήρων μας.
6. Σχεδιακές δοκιμές:Πριν από την αποστολή, υποβάλλουμε όλους τους αποσβεστήρες σε αυστηρές δοκιμές ροπής, εξασφαλίζοντας την τήρηση των ποιοτικών προτύπων μας.
7. Ομάδα Ε & Α Εμπειρογνώμονας:Το αφοσιωμένο μας στο - Ομάδα Σχεδιασμού και Ε & Α δεσμεύεται να αναπτύξει καινοτόμες λύσεις για την κάλυψη των εξελισσόμενων αναγκών των πελατών.
8. Διασφάλιση ποιότητας:Διεξάγουμε 100% επιθεώρηση τελικών προϊόντων και τακτικών επιθεωρήσεων σε όλη τη διαδικασία παραγωγής, εξασφαλίζοντας ότι μόνο οι καλύτεροι αποσβεστήρες σας παραδίδονται.
9. Υπηρεσίες ODM και OEM:Προσφέρουμε προσαρμόσιμες επιλογές και προσαρμογή ροπής για να ικανοποιήσετε τις συγκεκριμένες απαιτήσεις σας, παρέχοντας προσαρμοσμένες λύσεις για τις εφαρμογές σας.
10 πιστοποιήσεις:Η τήρηση των διεθνώς αναγνωρισμένων προτύπων και πιστοποιήσεων, συμπεριλαμβανομένων των ISO 9001: 2008, ROHS και QS16949, εξασφαλίζει την ποιότητα και τη συμμόρφωση του προϊόντος.




